Запасные части
Подъёмное оборудование
Шиномонтажное оборудование
Гаражное оборудование
Гидравлическое оборудование
Диагностическое оборудование
Смазочно-заправочное оборудование
Компрессорное оборудование
Оборудование для кузовного ремонта
Покрасочное оборудование
Пневматический инструмент
Металлическая мебель
Моющее оборудование
Развал-схождение
Специальный инструмент
Ручной инструмент
АвтоХимия
Запасные части Смотреть все >
Шиномонтажное оборудование Смотреть все >
Гаражное оборудование Смотреть все >
Специальный инструмент Смотреть все >
Ручной инструмент Смотреть все >
Оборудование и запчасти Б/У Смотреть все >
График работы: пн-пт с 10:00 до 18:00, сб-вс: по согласованию
Найти
Корзина
0
8 926 172-16-47
Обратная связь
Поиск
Поделиться
Корзина
0
Главная / Запчасти для балансировок / Запчасти для: Балансировочные станки (стенды) SIVIK (Сивик) / Запчасти для: Балансировочный станок СБМП-60/3D (деталировка)

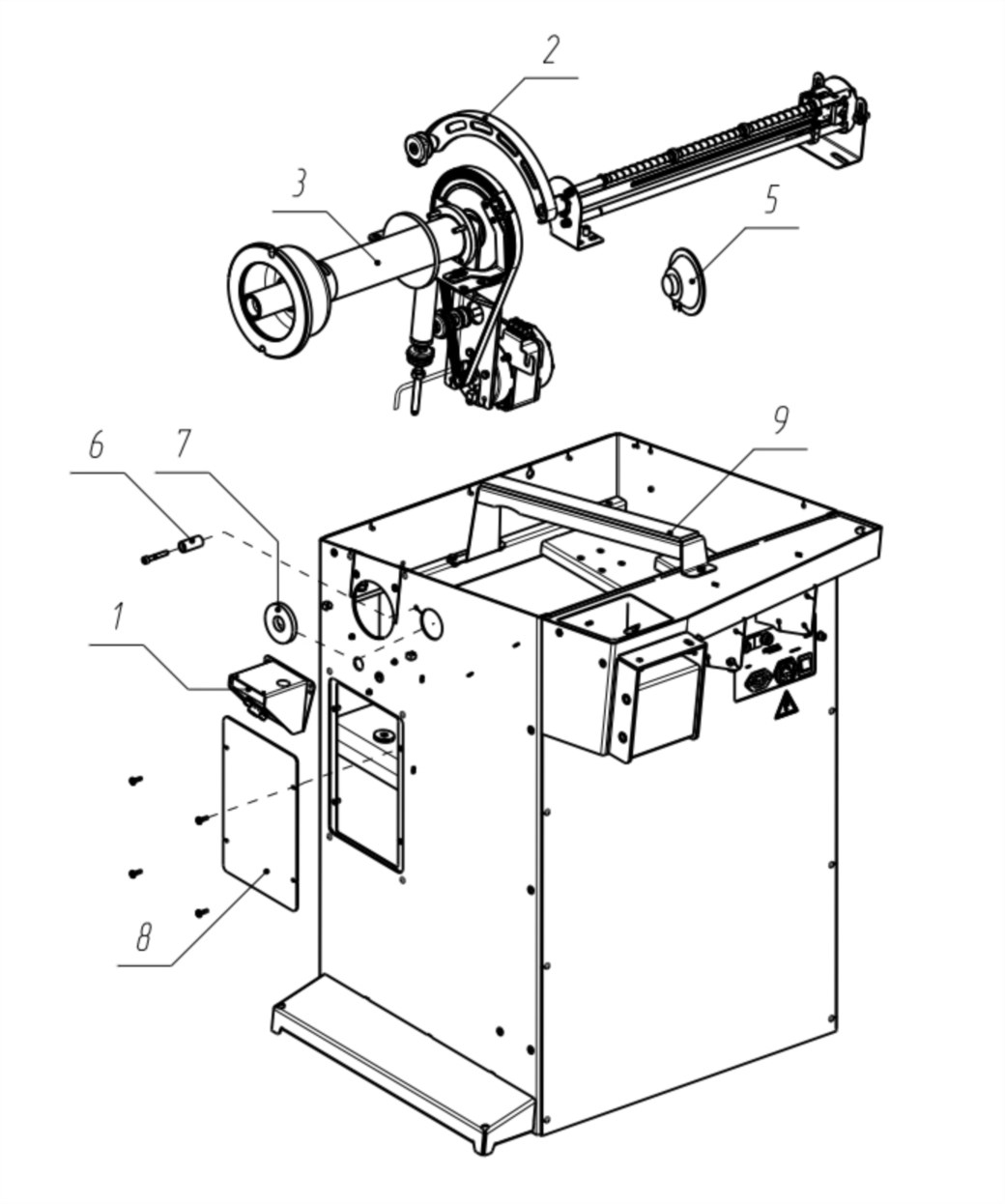
Запчасти для: Балансировочный станок СБМП-60/3D (деталировка)

картинка pl_all
картинка 2159
картинка 2160
картинка 2161
картинка 2162
картинка 2163
картинка 2164
картинка 2165
картинка 2166
картинка 2167
картинка 2168
картинка 2169
картинка 2170
Картинка Балансировочный станок вид 1
Вид 1 из 12
Картинка Балансировочный станок вид 2
Вид 2 из 12
Картинка Балансировочный станок вид 3
Вид 3 из 12
Картинка Линейка
Вид 4 из 12
Картинка Кожух
Вид 5 из 12
Картинка Измерительный блок
Вид 6 из 12
Картинка Шпиндель
Вид 7 из 12
Картинка Датчик угла поворота
Вид 8 из 12
Картинка Лазерный указатель
Вид 9 из 12
Картинка Электронный блок
Вид 10 из 12
Картинка Блок монитора
Вид 11 из 12
Картинка Комплект съемных частей
Вид 12 из 12
Запчасти для: Балансировочный станок СБМП-60/3D (деталировка)
Бренд:SIVIK (Сивик)
SIVIK (Сивик) иконка

Подробная информация о конструкции на Балансировочный станок СБМП-60/3D (деталировка), представленная в деталировке, поможет быстро и правильно подобрать запчасти для ремонта или переборки Вашего оборудования своими руками. Если у Вас всё равно останутся вопросы, то наши квалифицированные специалисты готовы помочь Вам с подбором запчастей.

...