Запасные части
Подъёмное оборудование
Шиномонтажное оборудование
Гаражное оборудование
Гидравлическое оборудование
Диагностическое оборудование
Смазочно-заправочное оборудование
Компрессорное оборудование
Оборудование для кузовного ремонта
Покрасочное оборудование
Пневматический инструмент
Металлическая мебель
Моющее оборудование
Развал-схождение
Специальный инструмент
Ручной инструмент
АвтоХимия
Запасные части Смотреть все >
Шиномонтажное оборудование Смотреть все >
Гаражное оборудование Смотреть все >
Специальный инструмент Смотреть все >
Ручной инструмент Смотреть все >
Оборудование и запчасти Б/У Смотреть все >
График работы: пн-пт с 10:00 до 18:00, сб-вс: по согласованию
Найти
Корзина
0
8 926 172-16-47
Обратная связь
Поиск
Поделиться
Корзина
0
Главная / Запчасти для шиномонтажа / Запчасти для: Шиномонтажные станки и стенды для грузовых авто SIVIK (Сивик) / Запчасти для: Грузовой шиномонтажный станок ГШС-515А (2018) (деталировка)

Запчасти для: Грузовой шиномонтажный станок ГШС-515А (2018) (деталировка)

картинка pl_all
картинка 2182
картинка 2183
картинка 2184
картинка 2185
картинка 2186
картинка 2187
картинка 2188
картинка 2189
картинка 2190
картинка 2191
картинка 2192
картинка 2193
картинка 2194
картинка 2195
картинка 2196
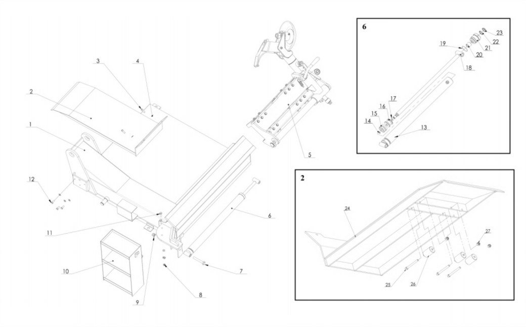
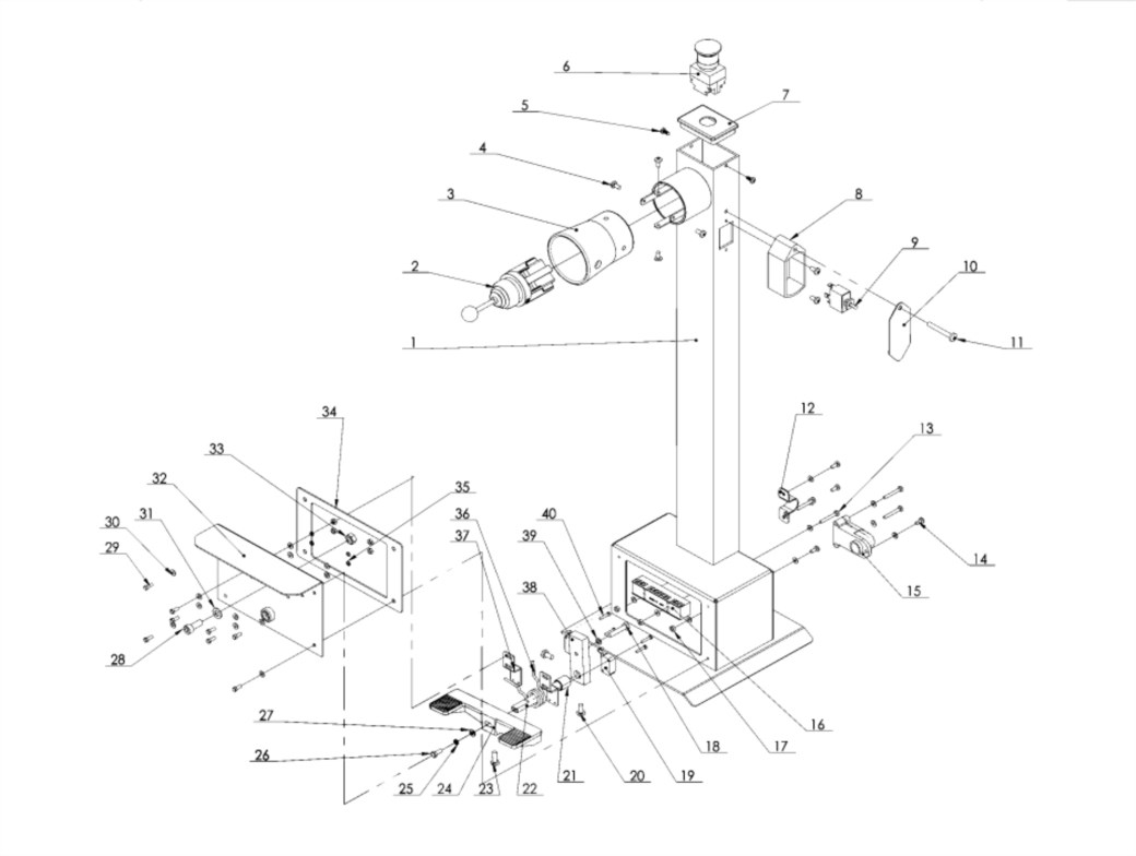
Картинка GENERAL ASSEMBLY
Вид 1 из 15
Картинка FRAME
Вид 2 из 15
Картинка CARRIAGE AND TOOLS
Вид 3 из 15
Картинка DOUBLE TOOL
Вид 4 из 15
Картинка TOOL ARM
Вид 5 из 15
Картинка CARRIAGE
Вид 6 из 15
Картинка SELF-CENTERING CHUCK
Вид 7 из 15
Картинка GEAR BOX
Вид 8 из 15
Картинка CHUCK
Вид 9 из 15
Картинка MOTOR UNIT
Вид 10 из 15
Картинка HYDRAULIC UNIT
Вид 11 из 15
Картинка POWER UNIT
Вид 12 из 15
Картинка PADEL CONTROL
Вид 13 из 15
Картинка ELECTRIC UNIT
Вид 14 из 15
Картинка ACCESSORIES
Вид 15 из 15
Запчасти для: Грузовой шиномонтажный станок ГШС-515А (2018) (деталировка)
Бренд:SIVIK (Сивик)
SIVIK (Сивик) иконка

Подробная информация о конструкции на Грузовой шиномонтажный станок ГШС-515А (2018) (деталировка), представленная в деталировке, поможет быстро и правильно подобрать запчасти для ремонта или переборки Вашего оборудования своими руками. Если у Вас всё равно останутся вопросы, то наши квалифицированные специалисты готовы помочь Вам с подбором запчастей.

...