Запасные части
Подъёмное оборудование
Шиномонтажное оборудование
Гаражное оборудование
Гидравлическое оборудование
Диагностическое оборудование
Смазочно-заправочное оборудование
Компрессорное оборудование
Оборудование для кузовного ремонта
Покрасочное оборудование
Пневматический инструмент
Металлическая мебель
Моющее оборудование
Развал-схождение
Специальный инструмент
Ручной инструмент
АвтоХимия
Запасные части Смотреть все >
Шиномонтажное оборудование Смотреть все >
Гаражное оборудование Смотреть все >
Специальный инструмент Смотреть все >
Ручной инструмент Смотреть все >
Оборудование и запчасти Б/У Смотреть все >
График работы: пн-пт с 10:00 до 18:00, сб-вс: по согласованию
Найти
Корзина
0
8 926 172-16-47
Обратная связь
Поиск
Поделиться
Корзина
0
Главная / Запчасти для шиномонтажа / Запчасти для: Шиномонтажные станки и стенды для грузовых авто SIVIK (Сивик) / Запчасти для: Шиномонтажный станок ГШС-516K с беспроводным пультом управления (деталировка)

Запчасти для: Шиномонтажный станок ГШС-516K с беспроводным пультом управления (деталировка)

картинка pl_all
картинка 2099
картинка 2100
картинка 2101
картинка 2102
картинка 2103
картинка 2104
картинка 2105
картинка 2106
картинка 2107
картинка 2108
картинка 2109
Картинка GENERAL BREAKDOWN
Вид 1 из 11
Картинка FRAME
Вид 2 из 11
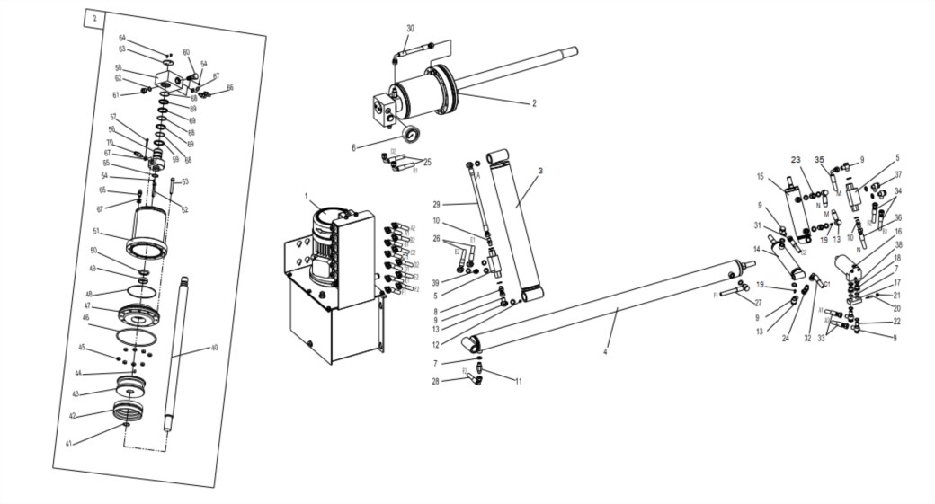
Картинка HYDRAULIC POWER UNIT
Вид 3 из 11
Картинка ELECTRIC UNIT
Вид 4 из 11
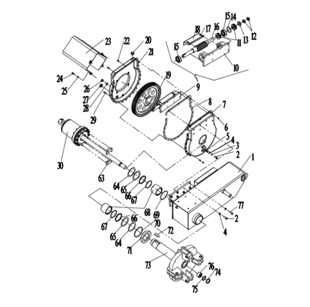
Картинка SELF-CENTERING CHUCK
Вид 5 из 11
Картинка CHUCK ARM
Вид 6 из 11
Картинка TOOL ARM SADDLE
Вид 7 из 11
Картинка TOOL HOLDER ARM
Вид 8 из 11
Картинка HYDRAULIC UNIT
Вид 9 из 11
Картинка MOBILE CONTROL UNIT
Вид 10 из 11
Картинка ACCESSORIES
Вид 11 из 11
Запчасти для: Шиномонтажный станок ГШС-516K с беспроводным пультом управления  (деталировка)
Бренд:SIVIK (Сивик)
SIVIK (Сивик) иконка

Подробная информация о конструкции на Шиномонтажный станок ГШС-516K с беспроводным пультом управления (деталировка), представленная в деталировке, поможет быстро и правильно подобрать запчасти для ремонта или переборки Вашего оборудования своими руками. Если у Вас всё равно останутся вопросы, то наши квалифицированные специалисты готовы помочь Вам с подбором запчастей.

...