Запасные части
Подъёмное оборудование
Шиномонтажное оборудование
Гаражное оборудование
Гидравлическое оборудование
Диагностическое оборудование
Смазочно-заправочное оборудование
Компрессорное оборудование
Оборудование для кузовного ремонта
Покрасочное оборудование
Пневматический инструмент
Металлическая мебель
Моющее оборудование
Развал-схождение
Специальный инструмент
Ручной инструмент
АвтоХимия
Запасные части Смотреть все >
Шиномонтажное оборудование Смотреть все >
Гаражное оборудование Смотреть все >
Специальный инструмент Смотреть все >
Ручной инструмент Смотреть все >
Оборудование и запчасти Б/У Смотреть все >
График работы: пн-пт с 10:00 до 18:00, сб-вс: по согласованию
Найти
Корзина
0
8 926 172-16-47
Обратная связь
Поиск
Поделиться
Корзина
0
Главная / Запчасти для балансировок / Запчасти для: Балансировочные станки (стенды) SIVIK (Сивик) / Запчасти для: Станок балансировочный СБМП60 (01-06-2022_01-07-2022) (деталировка)

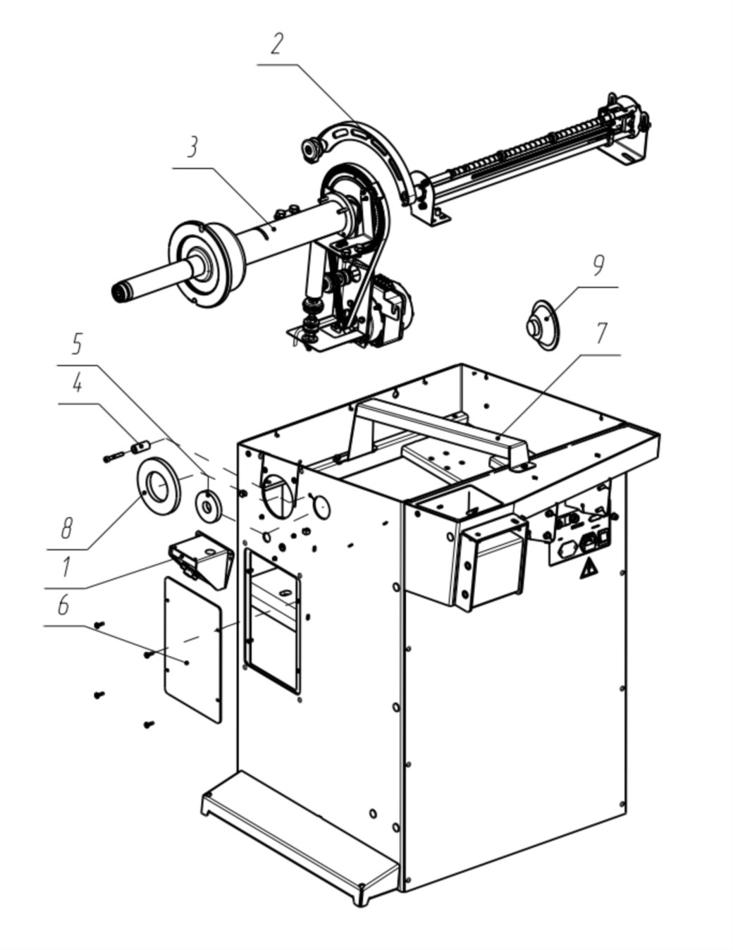
Запчасти для: Станок балансировочный СБМП60 (01-06-2022_01-07-2022) (деталировка)

картинка pl_all
картинка 2240
картинка 2241
картинка 2242
картинка 2243
картинка 2244
картинка 2245
картинка 2246
картинка 2247
картинка 2248
картинка 2249
картинка 2250
картинка 2252
Картинка Станок балансировочный вид 1
Вид 1 из 12
Картинка Станок балансировочный вид 2
Вид 2 из 12
Картинка Станок балансировочный вид 3
Вид 3 из 12
Картинка Линейка
Вид 4 из 12
Картинка Кожух
Вид 5 из 12
Картинка Измерительный блок
Вид 6 из 12
Картинка Шпиндель
Вид 7 из 12
Картинка Датчик угла поворота
Вид 8 из 12
Картинка Лазерный указатель
Вид 9 из 12
Картинка Электронный блок
Вид 10 из 12
Картинка [новый блок деталировки]
Вид 11 из 12
Картинка Комплект съемных частей
Вид 12 из 12
Запчасти для: Станок балансировочный СБМП60 (01-06-2022_01-07-2022) (деталировка)
Бренд:SIVIK (Сивик)
SIVIK (Сивик) иконка

Подробная информация о конструкции на Станок балансировочный СБМП60 (01-06-2022_01-07-2022) (деталировка), представленная в деталировке, поможет быстро и правильно подобрать запчасти для ремонта или переборки Вашего оборудования своими руками. Если у Вас всё равно останутся вопросы, то наши квалифицированные специалисты готовы помочь Вам с подбором запчастей.

...